返回
车床夹具系列
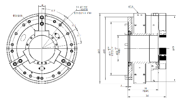
管螺纹机床专用大孔径气动卡盘

管螺纹专用卡盘具有:大孔径、长行程,内置缸体独立结构的特点;

安装于机床头尾两台组合使用,同步装夹保证稳定性,适用于较长石油管料两端内、外圆及螺纹的车削加工。


立即咨询
我们能为您做什么
*
这是一个必填项
您需要的总数量
*
这是一个必填项
这是一个必填项
电子邮件格式错误
由于电子邮件可能不稳定,为避免错过我们的信息,请提供您的电话号码,以便我们能够通过其他方式与您联系。 *
这是一个必填项
电话格式有误
提交
管螺纹机床专用大孔径气动卡盘
//www.czbut.com/uploadfiles/211.149.195.244/webid651/source_water/202312/78867170303176110.jpg
管螺纹机床专用大孔径气动卡盘
产品详情

管螺纹专用卡盘具有:大孔径、长行程,内置缸体独立结构的特点;

安装于机床头尾两台组合使用,同步装夹保证稳定性,适用于较长石油管料两端内、外圆及螺纹的车削加工。

image.png

image.png

    立刻咨询
    我们能为您做什么
    *
    这是一个必填项
    您需要的总数量
    *
    这是一个必填项
    这是一个必填项
    电子邮件格式错误
    由于电子邮件可能不稳定,为避免错过我们的信息,请提供您的电话号码,以便我们能够通过其他方式与您联系。 *
    这是一个必填项
    电话格式有误
    提交
    CopyRight © 2026 常州比优特机械设备制造有限公司  版权所有  苏ICP备20013741号 网站地图  所有标签  免责声明  中环互联网常州网站建设